九游会·(j9)官方网站-登录入口

欢迎浏览山东AG九游会官方入口 股份有限公司官方网站!

24小时服务热线:

184-5475-3350

15年行业经验 北华新品推荐

种类繁多 型号齐全 根据用户不同需求进行定制

  • 1
    1. DST自清洗过滤器DST自清洗过滤器

    DST自清洗过滤器

    DST/DSL自清洗过滤器产品说明:应用范围:DST/DSL自清洗过滤器广泛用于冶金、化工、石油、造纸、医药、食品、采矿、电力、城市给水领域。诸如工业废水, 循环水的过滤,乳化液的再生,废油过滤处理,

图文信息

dst自清洗过滤器

dst自清洗过滤器1



DST/DSL自清洗过滤器产品说明:


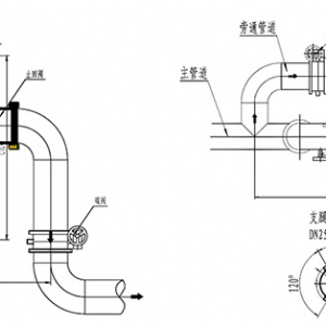
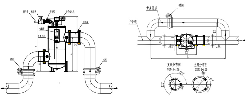
应用范围:DST/DSL自清洗过滤器广泛用于冶金、化工、石油、造纸、医药、食品、采矿、电力、城市给水领域。诸如工业废水, 循环水的过滤,乳化液的再生,废油过滤处理,冶金行业的连铸水系统、高炉水系统,热轧用高压水除鳞系统。是一种先进、效率高且易操作的全自动过滤装置。由筒体、不锈钢滤网、排污部分、传动装置及电气控制部分组成。


技术作用原理:DST/DSL自清洗过滤器是一种全自动清洗过滤器,在过滤器滤网内安装一套钢丝刷,钢丝刷由电动机带动旋转,在过滤器顶部安装一个电磁隔膜排污阀。清洗排污时,来自电控箱上时间和压差开关的信号传给控制箱,控制箱打开排污阀同时启动电动机带动钢丝刷,转动钢丝刷刷掉滤芯内部污垢与杂质,在水的压力作用下,通过排污阀排出泥沙与浮沉物。


单台流量
25~2800t/h,更大流量可由多个单机并联
较小工作压力
0.2MPa
较大工作压力
0.6MPa/1.0MPa/1.6MPa/2.5MPa/4.0MPa
较高工作温度
70℃
过滤精度
80-5000微米
控制方式
压差、时间及手动
清洗时间
60秒
清洗压损
0.01~0.03MPa
控制电压
交流220V
额定操作电压
三相,220V,380V,50HZ

推荐产品

联系方式

臧经理:18454753350
王经理:18454782091
传 真:0537-5186566
地 址:山东省邹城市唐村镇双堂路
邮 箱:zcbhjd@163.com
网 址:Http://alanwartraders.com

电话

微信

回顶